This website requires JavaScript.
Explore
Help
Sign In
Seich
/
TFT_eSPI
Watch
1
Star
0
Fork
You've already forked TFT_eSPI
0
Code
Issues
Pull Requests
Packages
Projects
Releases
Wiki
Activity
1db5f438b3
TFT_eSPI
/
docs
/
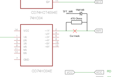
RPi_TFT_connections
/
RPi_TFT_mod.png
16 KiB
372x253px
Raw
History